Чертеж шасси UW3DI

Post Reply
Антон
Posts: 17
Joined: Thu Jul 28, 2016 12:23 pm

Чертеж шасси UW3DI

Post by Антон »

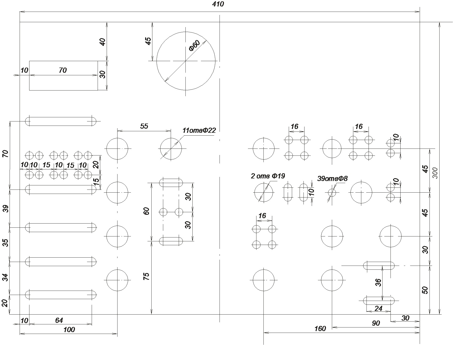
Последнее время наметилась активизация интереса к первому варианту UW3DI. Кому интересно пытаться делать трансивер с нуля, предлагаю шаблон основного шасси, в пропорции, с достаточной точностью. Если распечатать на принтере, может быть использован для разметки дюралевого шасси. Отверстия конденсаторов блока питания не показаны, в связи с тем что современные аналоги имеют совершенно другие габариты. Не показаны также многочисленные отверстия 3 мм, которые на оригинальном эскизе Кудрявцева обозначены "по месту". Формат бумаги для принтера - А2. Файл выкладываю в двух форматах - Сorel Draw и JPG
ОсновнаяПанельШасси1.jpg
ОсновнаяПанельШасси1.jpg (249.39 KiB) Viewed 24943 times
Post Reply